Ce projet a été réalisé dans le cadre d'une collaboration entre l'école 42 et l'écolé d'art lazada. Le but était de réaliser une ia ayant des problemes psychatrique en binome. Nous avons donc décidé de réaliser un enfant ayant des tics.
Go to file
2025-05-09 21:22:09 +02:00
arduino add project 2025-03-07 15:57:11 +01:00
assets Add real schemat 2025-05-09 21:21:37 +02:00
main.py add readme 2025-03-07 16:27:11 +01:00
README.md change schematimage 2025-05-09 21:22:09 +02:00

🚀 IA Hackathon Project

Welcome to IA Hackathon Project! About This project was made as part of a collaboration between 42 school and Lazada art school. The goal was to make an AI with psychiatric problems in pairs. So we decided to make a child with tics. 🎯

Arduino Project

📌 Features

Motor activation based on python request

Request to mistral API

Talk to text

Text to talk


🛠️ Required Components

Component Quantity
Arduino Uno 1
Motor 1
Relais Arduino 1
Wires Several

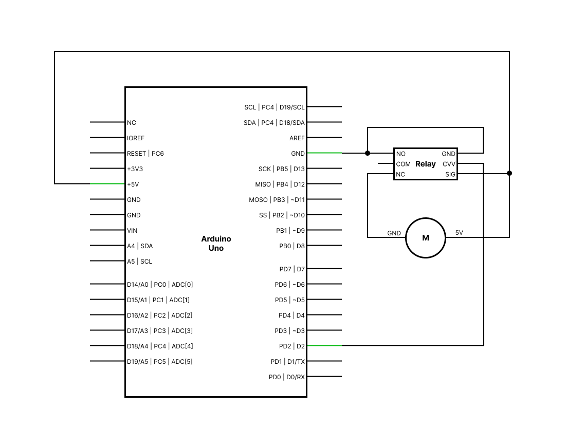
⚙️ Wiring Diagram

Heres how to connect the components:

Schemat

📌 Explanation:

  1. Connect the GND and NO (Normally Open) pins of the relay to the GND pin of the Arduino board.
  2. Connect the CVV pin of the relay to the D2 pin of the Arduino.
  3. Connect the NC (Normally Closed) pin of the relay to the GND pin of the motor.
  4. Connect the 5V pin of the motor and the SING pin of the relay to the 5V power supply.

🖥️ Installation

1 Clone this repository:

git clone https://github.com/user/my-arduino-project.git

2 follow the diagram for the connections

3 update motor.ino in arduino card and close the IDE Arduino (for resolve Serial problem)

4 Install all lib :

pip install requests openai-whisper sounddevice numpy soundfile pyttsx3 pygame pyserial

5 Replace MY_API_KEY and COM_OF_THE_ARDUINO in main.py

6 Run main.py

python main.py